Recent Changes - Search:

Главная страница

Проекты

Статьи

Домашний WiFi роутер

Архив проектов

Загрузки

GitHub

SourceForge

edit SideBar

TIMING

Формирование сигналов TIMING

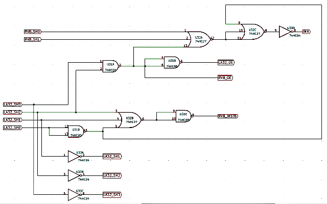
Схема блока TIMING

Формируемые сигналы

INH

~INH = ~(~(~LA32_SH0 | ~(RVB_SH0 | RVB_SH1 | ~(LA32_SH2 & LA32_SH3))))
INH = ~(~LA32_SH0 | ~(RVB_SH0 | RVB_SH1 | ~(LA32_SH2 & LA32_SH3)))
INH = ~(~LA32_SH0 | ~(RVB_SH0 | RVB_SH1 | ~LA32_SH2 | ~LA32_SH3))
INH = LA32_SH0 & (RVB_SH0 | RVB_SH1 | ~LA32_SH2 | ~LA32_SH3)

`INH = RVB_SH0 | RVB_SH1 | ~LA32_SH2 | ~LA32_SH3
INH = LA32_SH0 & `INH

INSTB

Предположим, что INSTB на самом деле ~`INSTB. Похоже, что этот сигнал отвечает за запись на вход ревербератора.

~`INSTB = ~(~(LA32_SH1 | LA32_SH2 | ~LA32_SH0))
`INSTB = ~(LA32_SH1 | LA32_SH2 | ~LA32_SH0)
`INSTB = ~LA32_SH1 & ~LA32_SH2 & LA32_SH0

RVB_OE

~RVB_OE = ~(SH2 & SH3)
RVB_OE = SH2 & SH3

LA32_OE

~LA32_OE = ~(~(SH2 & SH3))
LA32_OE = ~(SH2 & SH3)
LA32_OE = ~SH2 | ~SH3

Выводы

Основные сигналы
 12345678
LA32_SH30000000011111111
LA32_SH20000111100001111
LA32_SH10011001100110011
LA32_SH00101010101010101
 
RVB_SH10000000000000001
RVB_SH00000000000000100
Дополнительные сигналы
~LA32_SH31111111100000000
~LA32_SH21111000011110000
~LA32_SH11100110011001100
~LA32_SH01010101010101010
'INH1111111111110101
Формируемые сигналы
INH0101010101010101
`INSTB0100000001000000
LA32_OE1111111111110000
RVB_OE0000000000001111

Согласно MT-32_SERVICE_NOTES-3rd.pdf одноканальный ЦАП превращается в мультиканальный методом разделения по времени. Всего существует 8 временных слотов из которых используется 6: по три на левый и правый каналы. Эти временные слоты используются для разделения звука на правый и левый каналы и для смешивания и разделения выходов синтезатора и ревербератора.

  • слоты 1 и 5: выход с синтезатора идет на ЦАП и на вход ревербератора
  • слоты 2 и 6: на ЦАП идет выход с синтезатора
  • слоты 3 и 7: не используются
  • слоты 4 и 8: на ЦАП передается выход ревербератора

За формирование сигналов TIMING полность отвечают выходы SH1-SH3 микросхемы LA32. Какую-то роль еще играют выводы ревербератора: RVB_SH0 и RVB_SH0, но они нужны только в тайм-слотах 7 и 8, и видимо, играют роль стробирующих сигналов.

Из таблицы хорошо видно как организованы выходы синтезатора и ревербератора, и каким образом сигнал подается на вход ревербератора. Однако, я не обнаружил, каким образом подавляются временные слоты 3 и 7. По всей видимости, логика блока TIMING не контролирует это состояние и подавление этих сигналов происходит просто отсутствием подключения к соответствующим выводам микросхемы 4051.

Edit - History - Print - Recent Changes - Search
Page last modified on December 15, 2021, at 08:41 pm